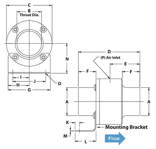
Ultra Duty Line Vac™
The Ultra Duty Line Vac is EXAIR's most powerful, wear-resistant conveyor. This rugged compressed air powered conveyor features an advanced, engineered ceramic insert that easily handles abrasive matter like sand, blasting media or powders. Their compressed use has been optimized to provide the extra power needed to convey abrasive or heavy materials over long vertical and horizontal distances. Available from 1-1/4" through 2". Kits also available.






