No Drip Internal Mix Wide Angle Round Pattern Air Atomizing Nozzle
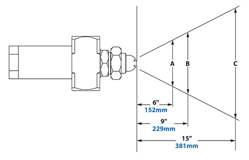
EXAIR's 1/8 FNPT and 1/4 FNPT Siphon Fed Flat Fan Pattern Nozzles are perfect for applications where no liquid pressure is available and a thin coating is needed over a wide area. The flow rate is adjustable via an adjusting valve, and these nozzles perform best with a suction height of 36" (914mm) or less. By utilizing compressed airflow, the nozzles draw in and internally mix the liquid, making the flow dependent on both gravity or suction height and the airflow. These siphon fed flat fan pattern nozzles are ideal for providing liquid over a broad band, such as in moving assembly lines, and are suitable for non-pressurized applications using siphon or gravity feed.











